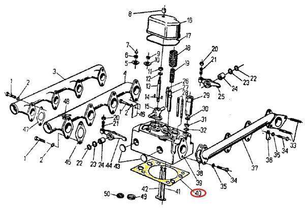
Uszczelka głowicy z silikonem 46505130 c-360
ID: O2812
Wysyłka w 1-2 dni dni robocze
Uszczelka głowicy z silikonem 46505130 c-360
Uszczelka głowicy z silikonem 46505130 c-360
Uszczelka głowicy z silikonem 46505130 c-360
Informacje dodatkowe:
Produkt: Nowy
Marka: Rolmar
ID: O2812
Podmiot odpowiedzialny/do pobrania
Instrukcja bezpieczeństwa i użytkowania produktów
Odpowiedzialność za produktBDO: 000551627














