Rozdzielacz hydrauliczny pięciosekcyjny 5 40l
Rozdzielacz hydrauliczny pięciosekcyjny 5 40l
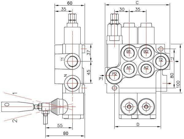
Specyfikacja techniczna: gwint 1/2 cala temp.pracy -40c…+60c max ciśnienie robocze 300 bar(at) wydajność 40l/min p – zasilanie 1/2″ t – wyjście 1/2″ pasują złączki: – [#g1/2×18#] – [#g1/2×22#] siłowniki 3/8″ pasują złączki: – [#g3/8×18#] – [#g3/8×22#] gwinty: p góra – g1/2” 14/1 p – g1/2” 14/1 t góra – g1/2” 14/1 t – g1/2” 14/1 n – g1/2” 14/1 wyjście sekcja i – 2xg3/8” 19/1 wyjście sekcja ii – 2xg3/8” 19/1 wyjście sekcja iii – 2xg3/8” 19/1 wyjście sekcja iv – 2xg3/8” 19/1 wyjście sekcja v – 2xg3/8” 19/1
Rozdzielacz hydrauliczny pięciosekcyjny 5 40l
Informacje dodatkowe:
Produkt: Nowy
Marka: Rolmar
ID: O4145
Podmiot odpowiedzialny/do pobrania
Instrukcja bezpieczeństwa i użytkowania produktów
Odpowiedzialność za produktBDO: 000551627

















